
图源Apheros
钛媒体APP注:自2011年以来,瑞士连续13年全球创新指数排名第一,是全球重要的创新策源地,也是中国首个创新战略伙伴关系国,在创新发展和科技金融领域与中国具有极佳互补性。
由Venturelab主办的“瑞士创新100强”,汇聚了最佳“瑞士制造”的初创及成长期科技创新企业,是瑞士最具国际影响力的创新生态标杆。自2011年以来,该榜单每年在瑞士全国范围内评选出100家最具开创性和市场前景的瑞士创新企业和25家最具独角兽潜力的瑞士成长期企业,覆盖生命科学、工程机械、机器人、信息通信、低碳科技、食品科技等领域。
为了全方位展示和介绍瑞士最前沿的创新科技,钛媒体APP与Venturelab的中国授权合作方以明科技(Insight Tech)合作推出《瑞士创新100强》专题,全面展示瑞士先锋科创生态的全景。
本文为专栏第139期,介绍的Apheros是2024年《瑞士创新100强》上榜企业,其致力于研发新型金属泡沫。
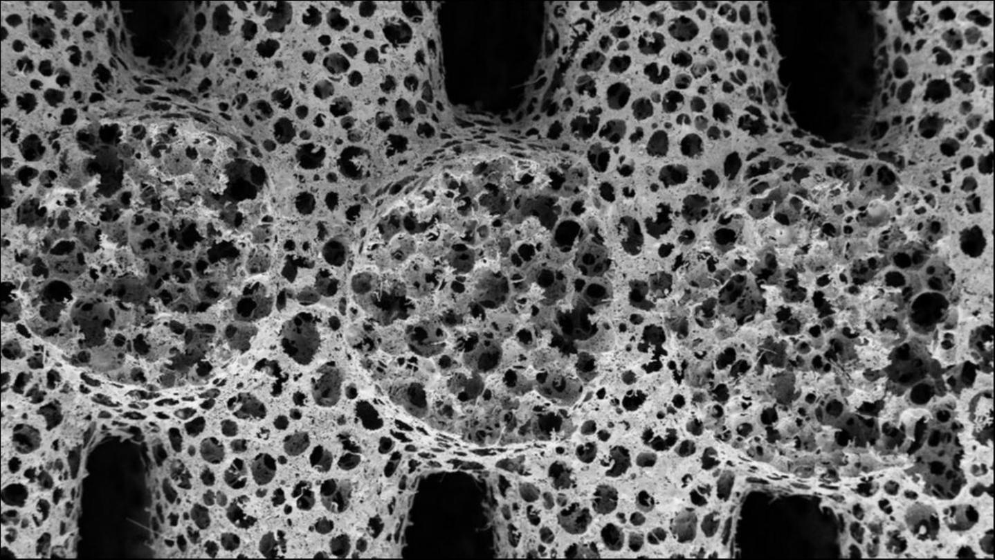
瑞士工程科技公司Apheros成立于2023年,其致力于研发新型金属泡沫。该金属泡沫拥有超高表面积及高开孔率,可极大提升各类冷却系统散热性能,广泛应用于数据中心等领域。
Apheros为苏黎世联邦理工学院的衍生公司,由Julia Carpenter与Gaëlle Andreatta联合创立。Julia Carpenter目前担任公司首席执行官,拥有苏黎世联邦理工学院材料学博士学位,其在攻读博士学位期间开发了获得专利的金属发泡工艺。Gaëlle Andreatta目前担任公司首席技术官,拥有16年技术经验,是瑞士创新署(Innosuisse)创新委员会成员。

图源Apheros
数据中心是数字时代的重要支柱,伴随AI的高速发展,市场对数据中心的需求日益增长,这也导致数据中心能耗大幅激增。尤其是AI使用复杂算法及深度学习模型,须有GPU、TPU等专用硬件支持,极大推高了能源消耗。预计到2030年,专门用于数据中心冷却的能源消耗量将占全球总能源消耗量的6%。
目前数据中心冷却主要采用暖通空调,该方法具备一定效率,但空气冷却十分耗能。近年来,浸入式冷却与片上冷却作为替代方案被逐渐采用。前者是将服务器浸入介电液体当中,后者则将冷却剂直接连接到芯片冷板进行冷却循环。两种方案均基于热交换原理,为了提升散热性能,冷却系统供应商需采用各类技术增加芯片表面积,以促进芯片与冷却介质接触时的热量传递效率。

图源VentureBeat
Apheros开发了新型金属泡沫,该泡沫表面积比普通泡沫高出 1000 倍,具有良好热导率和相互连通的孔隙结构,能使芯片与周围液体的热交换提高 90%,从而将数据中心的能耗降低20%。该金属泡沫能直接替代散热器和热交换器,与数据中心日益采用液体冷却系统的趋势相兼容。
不同于其他熔模铸造生产工艺,Apheros的金属泡沫采用了专有室温粉末制造工艺。该工艺可让用户灵活地选择铜、镍、铁、不锈钢等适合自身需求的金属基质制造金属泡沫,保留导热性、导电性和稳定性等金属的基本特质,并解决了现有工艺存在的一致性低、结构强度低等问题,同时极大地降低了生产成本。
基于该专利制造工艺,Apheros的金属泡沫具备高散热性能、高可用性、成本效益等优势。Apheros的金属泡沫表面积比普通泡沫高出1000倍,其开放与互连的孔状结构有效确保了流体流动及传输速率并提供优异的润湿性能,就像一块具有超细孔隙的海绵,可直接放在芯片上,引导冷却剂流过并带走热量,实现卓越的散热性能。同时,Apheros的金属泡沫可通过粘合、焊接和加工等标准工艺无缝集成到数据中心现有冷却系统中,直接替代现有的散热器和交换器,无需对数据中心进行额外改造。在扩展性和成本效益方面,Apheros的金属泡沫密度区间为0.9-2.2g/cm³,是轻质部件的理想材料;其制造工艺高度可扩展,使该金属泡沫在冷却系统最终价格中占比不到5%。
Apheros的金属泡沫可广泛应用于冷却领域,是高功率计算、数据中心热管理、汽车或航空航天等领域的理想选择,其首个试点产品为铜制金属泡沫散热器。Apheros的金属泡沫尤其适用于液体冷却和双相冷却。在液体冷却应用中,其高表面积能够促进其与冷却剂之间的高效热交换,高开孔率有利于液体流动,最大限度提升散热性能;在双相冷却应用中,Apheros金属泡沫的高表面积为蒸汽气泡的形成提供了大量的成核点,高开孔率则有利于蒸汽快速逸出,确保冷却性能。
在冷却领域之外,Apheros的金属泡沫还可应用于绿氢电解材料、锂离子电池组件与化学催化等行业,能够为电解器、电池组件及异相催化平台性能提升提供巨大帮助。
2024年8月,Apheros完成了185万美元的种子前轮融资;12月,Apheros获得了来自瑞士创新署Innosuisse的110万瑞士法郎资助;资金将用于金属泡沫中试规模生产,并加速产品上市进程。未来,Apheros将不断扩大与冷却系统制造商的合作规模,提升产品在全球数据中心的部署,并不断探索其在其他行业中的进一步应用。

2024年《瑞士创新100强》中文版由以明科技(Insight Tech)荣誉发布。以明科技是《瑞士创新100强》的中国授权合作方,负责《瑞士创新100强》在中国的运营推广并协助榜单项目对华商业合作。作为中欧(瑞士)科技创新投资与产业化运营商,以明科技为瑞士创新和中国产业的双向合作提供投融资和商业拓展服务并开展股权投资业务。
获取2024年《瑞士创新100强》完整榜单及行业榜单,请访问以明科技公号或官网。